COMET

BOMBA TWS 13020 S

BOMBA TWS 13020 S

DESCRIPCIÓN


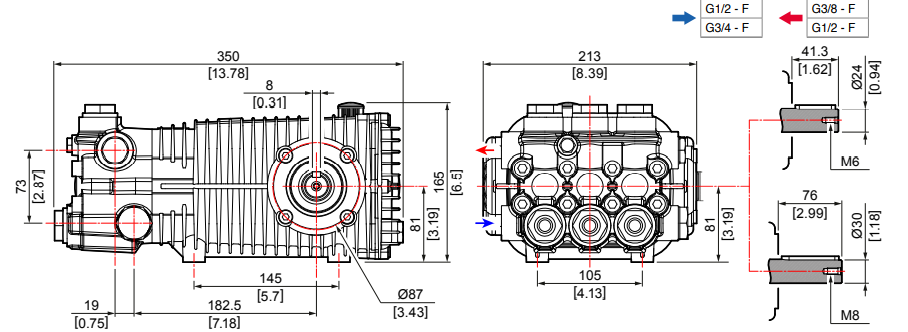
Código

6514090000

Descripción

CÁRTER EN ALEACIÓN DE ALUMINIO FORJADO, ASIENTO VÁLVULA CON O-RING Y ANTI EXTRUSOR, TAPAS VAM, VÁLVULA DE ASPIRACIÓN Y CAUDAL EN ACERO INOXIDABLE, PISTONES DE CERÁMICA INTEGRAL, EXCLUSIVO SISTEMA DE HERMETICIDAD DE AGUA AUTO LUBRICADO, ELEVADO CONTENIDO DE ACEITE PARA LAS ELEVADAS POTENCIAS, VARILLA DE NIVEL DE ACEITE CON RESPIRADERO, CÁRTER COMPLETAMENTE ALETEADO,SISTEMA DE HERMETICIDAD DE ACEITE CON O-RING, EJE MACHO 24MM , PISTONES DE GUIA EN ACERO INOXIDABLE

ESPECIFICACIONES

Max GPM 13
Max L/Min 50.5
Max PSI 2000
Max Bar 138
Hp Weight 20
Peso 20
RPM 1750
Presión 5000

PARA MAS INFORMACIÓN


Consulta tu duda con nuestro personal capacitado a través del formulario