COMET

BOMBA TWS 8036 S

BOMBA TWS 8036 S

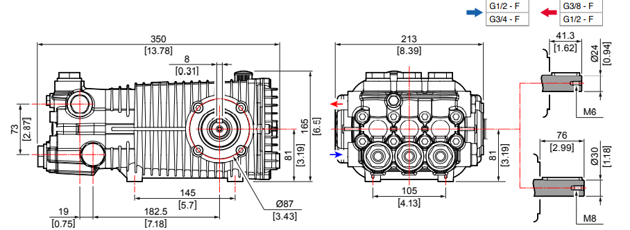
DESCRIPCIÓN


Código

6514060000

Descripción

CÁRTER EN ALEACIÓN DE ALUMINIO FORJADO, ASIENTO VÁLVULA CON O-RING Y ANTI EXTRUSOR, TAPAS VAM, VÁLVULA DE ASPIRACIÓN Y CAUDAL EN ACERO INOXIDABLE, PISTONES DE CERÁMICA INTEGRAL, EXCLUSIVO SISTEMA DE HERMETICIDAD DE AGUA AUTO LUBRICADO, ELEVADO CONTENIDO DE ACEITE PARA LAS ELEVADAS POTENCIAS, VARILLA DE NIVEL DE ACEITE CON RESPIRADERO, CÁRTER COMPLETAMENTE ALETEADO,SISTEMA DE HERMETICIDAD DE ACEITE CON O-RING, EJE MACHO 24MM , PISTONES DE GUIA EN ACERO INOXIDABLE

ESPECIFICACIONES

Max GPM 8.3
Max L/Min 31.5
Max PSI 3500
Max Bar 241
Hp Weight 20
Peso 20 KGS
RPM 1750
Presión 3500

PARA MAS INFORMACIÓN


Consulta tu duda con nuestro personal capacitado a través del formulario